Worm Gear Operated Lug Butterfly Valve
Main Parts Materials
| Body Materials: | DI |
| Disc Materials: | DI、CF8、CF8M、CF3、CF3M、1.4529、C594、C598 |
| Seat Materials: | EPDM、NBR、Viton、PTFE |
| Stem Materials: | 45、SS416、SS420、SS304、SS431 |
(1)The structure is simple and compact, the rotation of 90 °is quickly to open and close, and the service life is long. The side flange can meet the PN10, PN16, 150Lb and 10K flanges;
(2)All products can provide the pressure test: All products can provide the pressure test report before leaving the factory.
(3)High performance seat rubber: The rubber content is 50%, and the switch life is more than 30000 times
(4)Axial seal: The shaft is supported by 4 oil-free bearings, double seal structure design of oil seal and O-ring, smaller torque and reliable seal; The upper and lower shaft holes of DN350 and above large diameter valves are designed with packing box structure, and the packing is pressed by the gland to realize sealing.
(5)Surface coating: Epoxy powder coating is adopted, with strong adhesion and good weather resistance. It can be used indoors and outdoors.

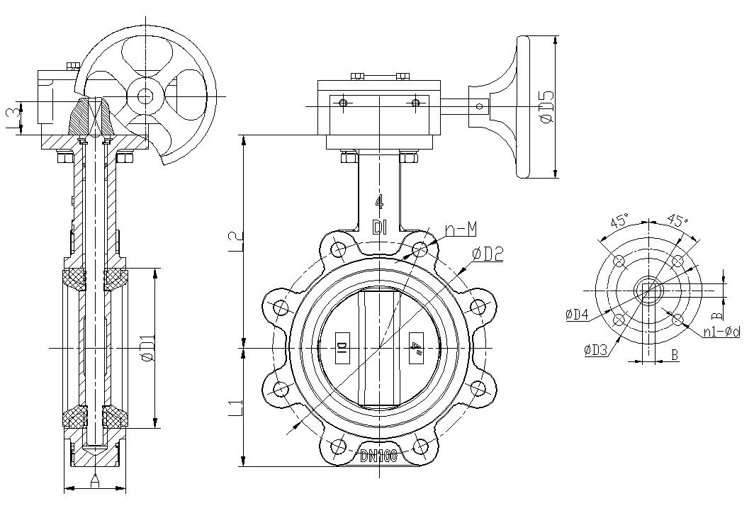
| DN | A | D1 | L1 | L2 | L3 | B | PN16 | PN10 | 150LB | φD3 | φD4 | n1-φd | D5 | ||||
| D2 | n-M | D2 | n-M | D2 | n-M | ||||||||||||
| 2″ | DN50 | 42 | 73.3 | 54 | 161 | 25 | 9 | 125 | 4-M16 | 125 | 4-M16 | 120.7 | 4-5/8″ | 65 | 50 | 4-8 | 135 |
| 2.5″ | DN65 | 44 | 86 | 62 | 175 | 25 | 9 | 145 | 4-M16 | 145 | 4-M16 | 139.7 | 4-5/8″ | 65 | 50 | 4-8 | 135 |
| 3″ | DN80 | 45 | 100.9 | 82 | 181 | 25 | 9 | 160 | 8-M16 | 160 | 8-M16 | 152.4 | 4-5/8″ | 65 | 50 | 4-8 | 135 |
| 4″ | DN100 | 51.5 | 132 | 99 | 200 | 28 | 11 | 180 | 8-M16 | 180 | 8-M16 | 190.5 | 8-5/8″ | 90 | 70 | 4-10 | 135 |
| 5″ | DN125 | 54 | 156 | 114 | 213 | 28 | 14 | 210 | 8-M16 | 210 | 8-M16 | 215.9 | 8-3/4″ | 90 | 70 | 4-10 | 135 |
| 6″ | DN150 | 55 | 185 | 129 | 236 | 28 | 14 | 240 | 8-M20 | 240 | 8-M20 | 241.3 | 8-3/4″ | 90 | 70 | 4-10 | 135 |
| 8″ | DN200 | 59 | 235 | 150 | 260 | 33 | 17 | 295 | 12-M20 | 295 | 8-M20 | 298.5 | 8-3/4″ | 125 | 102 | 4-12 | 270 |
| 10″ | DN250 | 66 | 289 | 186 | 292 | 33 | 22 | 355 | 12-M24 | 350 | 12-M20 | 362 | 12-7/8″ | 125 | 102 | 4-12 | 270 |
| 12″ | DN300 | 76 | 341 | 218 | 337 | 33 | 22 | 410 | 12-M24 | 400 | 12-M20 | 431.8 | 12-7/8″ | 125 | 102 | 4-12 | 270 |
| 14″ | DN350 | 76 | 372 | 242 | 368 | 45 | 22 | 470 | 16-M24 | 460 | 16-M20 | 476.3 | 12-1″ | 125 | 102 | 4-12 | 270 |

| DN | A | D1 | L1 | L2 | L3 | φD | N-b | K | PN16 | PN10 | 150LB | φD3 | φD4 | n1-φd1 | ||||
| D2 | n-φd | D2 | n-φd | D2 | n-φd | |||||||||||||
| 16″ | DN400 | 86.5 | 436 | 320 | 403 | 52 | 33.15 | 1-10 | 36.2 | 525 | 16-M27 | 515 | 16-M24 | 539.8 | 16-1″ | 175 | 140 | 4-18 |
| 18″ | DN450 | 104.6 | 487 | 351 | 415 | 52 | 38 | 1-10 | 41 | 585 | 20-M27 | 565 | 20-M24 | 577.9 | 16-1 1/8″ | 175 | 140 | 4-18 |
| 20″ | DN500 | 130 | 532 | 386 | 466 | 64 | 41.15 | 1-12 | 44.2 | 650 | 20-M30 | 620 | 20-M24 | 635 | 20-1 1/8″ | 175 | 140 | 4-18 |
| 24″ | DN600 | 152 | 651 | 446 | 525 | 70 | 50.65 | 1-16 | 54.7 | 770 | 20-M33 | 725 | 20-M27 | 749.3 | 20-1 1/4″ | 210 | 165 | 4-22 |
| Design and Manufacture Standard: | API 609 |
| Face to Face | API 609 |
| Test Standard: | API 598 |
| Top Flange Connection Standard: | ISO 5211 |
| Flange Size Standard: | ASME B16.5、ASME B16.47、 |
| ASME B16.1、JIS B2220、DIN 2501 |










