Lever Operated Flange Butterfly Valve
Main Parts Materials
| Body Materials: | DI |
| Disc Materials: | DI、CF8、CF8M、CF3、CF3M、1.4529、C594、C598 |
| Seat Materials: | EPDM、NBR、Viton、PTFE |
| Stem Materials: | 45、SS416、SS420、SS304、SS431 |
(1)The structure is simple and compact, the rotation of 90 °is quickly to open and close.
(2)All products can provide the pressure test: All products can provide the pressure test report before leaving the factory.
(3)High performance seat rubber: The rubber content is 50%, and the switch life is more than 30000 times. The rubber and valve body are joined by vulcanization process, and the joint is tight and doesn’t fall off;
(4)Axial seal: The valve shaft has a double seal structure design of oil seal and O-ring, smaller torque and reliable seal;
(5)Surface coating: Epoxy powder coating is adopted, with strong adhesion and good weather resistance. It can be used indoors and outdoors.
(6)Ductile iron handle: The handle is made of ductile iron, compared with Stamping handle, ductile iron handle is more better strength, stronger corrosion resistance and much more durable. The end handle with half-round structure design, is no edges and corners and feels very good.

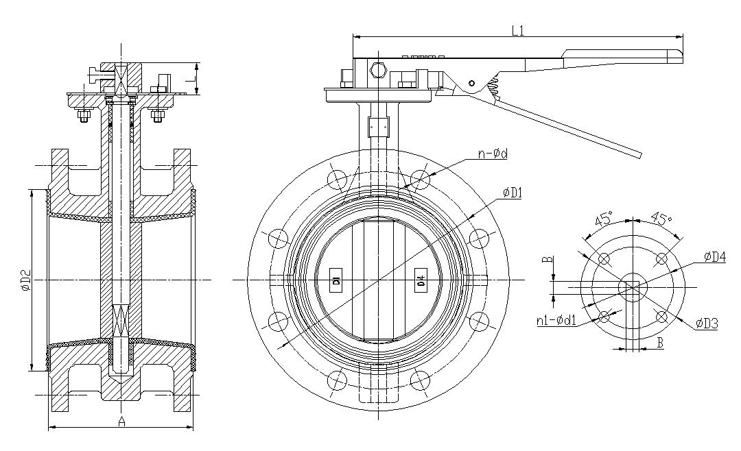
DN | A | PN16 | PN10 | 150LB | D2 | L | B | φD3 | φD4 | n1-φd1 | L | ||||
D1 | n-φd | D1 | n-φd | D1 | n-φd | ||||||||||
2″ | DN50 | 108 | 125 | 4-19 | 125 | 4-19 | 120.7 | 4-19 | 90 | 25 | 9 | 65 | 50 | 4-8 | 249 |
2.5″ | DN65 | 112 | 145 | 4-19 | 145 | 4-19 | 139.7 | 4-19 | 110 | 25 | 9 | 65 | 50 | 4-8 | 249 |
3″ | DN80 | 114 | 160 | 8-19 | 160 | 8-19 | 152.4 | 4-19 | 124 | 25 | 9 | 65 | 50 | 4-8 | 249 |
4″ | DN100 | 127 | 180 | 8-19 | 180 | 8-19 | 190.5 | 8-19 | 150 | 28 | 11 | 90 | 70 | 4-10 | 283 |
5″ | DN125 | 140 | 210 | 8-19 | 210 | 8-19 | 215.9 | 8-22.4 | 176 | 28 | 14 | 90 | 70 | 4-10 | 283 |
6″ | DN150 | 140 | 240 | 8-23 | 240 | 8-23 | 241.3 | 8-22.4 | 200 | 28 | 14 | 90 | 70 | 4-10 | 283 |
8″ | DN200 | 152 | 295 | 12-23 | 295 | 8-23 | 298.5 | 8-22.4 | 258 | 33 | 17 | 125 | 102 | 4-12 | 390 |
10″ | DN250 | 165 | 355 | 12-28 | 350 | 12-23 | 362 | 12-25.4 | 310 | 33 | 22 | 125 | 102 | 4-12 | 390 |
12″ | DN300 | 178 | 410 | 12-28 | 400 | 12-23 | 431.8 | 12-25.4 | 362 | 33 | 22 | 125 | 102 | 4-12 | 540 |
| Design and Manufacture Standard: | API 609 |
| Face to Face:: | API 609 |
| Test Standard: | API 598 |
| Top Flange Connection Standard: | ISO 5211 |
| Flange Size Standard: | ASME B16.5、ASME B16.47、DIN 2501 |
| ASME B16.1、JIS B2220、DIN 2501 |












